Produtos
Temporizador automático de interruptor de luz
  • Temporizador automático de interruptor de luzTemporizador automático de interruptor de luz
  • Temporizador automático de interruptor de luzTemporizador automático de interruptor de luz
  • Temporizador automático de interruptor de luzTemporizador automático de interruptor de luz
  • Temporizador automático de interruptor de luzTemporizador automático de interruptor de luz

Temporizador automático de interruptor de luz

Temporizador de interruptor de luz automático de alta qualidade XUCKY, um interruptor de tempo de escada ALST8 está disponível em trilho DIN. Tem autonomia de 1 minuto a 7 minutos e é equipado com proteção eletrônica contra sobrecarga.

Temporizador de interruptor de luz automático de alta qualidade XUCKY, um interruptor de tempo de escada ALST8 está disponível em trilho DIN. Tem autonomia de 1 minuto a 7 minutos e é equipado com proteção eletrônica contra sobrecarga.

● Interruptor para luz permanente LIGADA

● Sem consumo de corrente de circuito fechado

● Controle de interruptor externo

● Confiável devido ao acionamento do motor síncrono

● Baixa sensibilidade a interferências

● Mecânica de precisão e, portanto, período de comutação exato

● Configuração de tempo mais simples possível e leitura direta do tempo de atraso na escala absoluta


Descrição

O temporizador de interruptor de luz automático de alta qualidade XUCKY é para aplicação em uma caixa de distribuição elétrica para desligar um circuito específico com um período de contagem regressiva de 1 minuto a 7 minutos. Também pode funcionar como um botão liga/desliga normal. O interruptor de contagem regressiva permite a conexão com vários interruptores (com ou sem interruptor de néon) em diferentes locais para maior conveniência de controle.


Seleção de Produtos

Tensão

230Vca

Freqüência

50Hz

Capacidade de comutação

16A


Carga máxima recomendada (10.000 operações)

Carga de lâmpada incandescente/halógena 230V

Circuito lead-lag de carga de lâmpada fluorescente (convencional)

Carga da lâmpada fluorescente (convencional) corrigida em paralelo

Lâmpadas economizadoras de energia

Lâmpada LED <2W

Lâmpada LED 2–8 W

Lâmpada LED > 8 W

2300W

2300 VA

1300 VA 70 μF

150W

30W

300W

300W


Dados Técnicos

Carga de lâmpada fluorescente (reator eletrônico)

600W

Tipo de conexão

3/4 condutores

Comutação secundária

-10°C a 55°C

Carcaça e material de isolamento

Termoplástico autoextinguível e resistente a altas temperaturas

Consumo em espera

0W

Tipo de proteção

IP20

Classe de proteção

II de acordo com EN 60 730-1

Temperatura ambiente permitida

-10 ~ +50 °C (sem gelo)

Aprovação de teste

CE


Especificações

Corrente nominal 230 V ~ 50 Hz
Carga ôhmica 16A, máximo 3680W
Carga indutiva 230V~, 4A /cosΦ0,4
Período de contagem regressiva 1 minuto a 7 minutos
Precisão 0 a 1 minuto: ±10 segundos
0 a 7 minutos: ±18 segundos
Classificação IP IP20
Temperatura de trabalho -10°C a 55°C


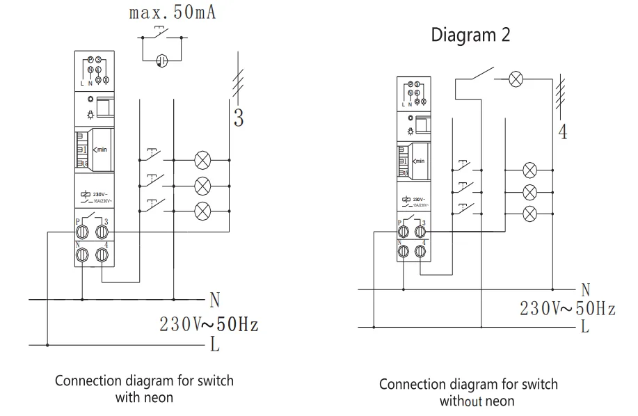
Diagramas de fiação


Montagem e conexão

1.Projetado para fácil instalação na caixa de distribuição elétrica, basta prender o temporizador no corrimão e pressionar até ouvir um "clique". Para remover, puxe para baixo a trava localizada na parte inferior do temporizador para liberar.

2.O timeswitch permite a conexão com switch (com ou sem luz neon).

a.Conecte os fios conforme indicado no Diagrama 1 para interruptor com néon e no Diagrama 2 para interruptor sem néon.

b.Gire o interruptor para as posições, sempre ligado.

c.Para funções de contagem regressiva, gire o botão do tempo para o período de contagem regressiva desejado (de 1 minuto a 7 minutos).

d.Em seguida, coloque a chave na posição, a energia desliga. O interruptor horário está no modo de espera para a função de contagem regressiva.

e.Empurre o interruptor de néon para ativar a função de contagem regressiva, a energia é ligada. Ele será desligado automaticamente de acordo com o tempo predefinido.

e.Empurre o interruptor de néon para ativar a função de contagem regressiva, a energia é ligada. Ele será desligado automaticamente de acordo com o tempo predefinido.

g.Para switch sem néon, você pode conectar quantos forem necessários em locais diferentes para facilitar os controles.

3.Quando o timeswitch estiver no modo de contagem regressiva, não haverá interface por:

Temporizador de interruptor de luz automático de alta qualidade XUCKY, um interruptor de tempo de escada ALST8 está disponível em trilho DIN. Tem autonomia de 1 minuto a 7 minutos e é equipado com proteção eletrônica contra sobrecarga.



Hot Tags: Temporizador automático de interruptor de luz, China, fabricante, fornecedor, fábrica
Enviar consulta
Informações de contato

Solicite seu orçamento gratuito e amostra de solução personalizada

Envie uma consulta hoje mesmo junto com uma cotação competitiva adaptada às suas especificações.

X
Utilizamos cookies para lhe oferecer uma melhor experiência de navegação, analisar o tráfego do site e personalizar o conteúdo. Ao utilizar este site, você concorda com o uso de cookies. política de Privacidade
Rejeitar Aceitar